Romotop Laredo H 10 keraamika

Suitsutoru ava läbimõõt:
150 mm
Kaal:
136 kg
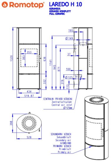
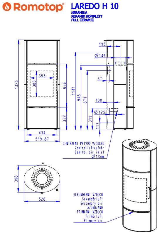
Kõrgus:
1320 mm
Laius:
528 mm
Sügavus:
398 mm
Klaasi kuju:
Panoraam

Täisklaasist uks elementide ja akumulatsiooniga, mis kasutavad tõhusalt ahju tekitatud soojust.
Ahjuuksel on suur disaintrükiga klaaspind.

Materjal: Teras
Metalldetailide värv: must

Sobib passiivmajja
Suitsutoru ühendus: Pealt, Tagant
Suitsutoru ühenduse kõrgus: 871/1141 mm
Miinimum tõmme: 12 Pa
Kasutegur: 81 %
Võimsus: 5,1 kW
Võimsus: 2,5-6,6 kW
Keskmine puidu tarbimine: 1,4 kg/h
Klaasi kuju: Panoraam
Uks avaneb: Küljele
Kütus: Puu

Peamised omadused ja eelised:

Energiaklass A+
LAREDO H kamin  sobib madala energiatarbega kodudesse.
Komplektis on EAI (väline õhu sissevõtusüsteem).
Standardversioonil on ülemine suitsugaaside väljalaskeava.
Tänu sekundaarsele õhu sissevõtule pestakse ukseklaasi õhk, et vältida tahma kogunemist.
Põlemiskamber on vooderdatud šamotttelliskividega .
Primaarset ja sekundaarset õhu sissevõttu reguleerib üks juhtelement.
Ahju alumises osas on uksega hoiuruum väikese koguse puidu või tööriistade hoidmiseks.
Põlemiskambri kohale saab lisada  spetsiaalseid akumulatsioonielemente.
Glasuurivärvid

Lisatarvikud:

Kaitseklaas põrandale (POD.SKLO 4199)
Saab kamina ette hõlpsalt paigutada, et kaitsta põrandat ja hoida kamina ümbrus puhtana.
Mõõtmed (L x S): 1000 x 740 mm.
Klaasi paksus: 6 mm
Lisaks saate osta täiendavaid akumulatsioonielemente (AKKUM 01), mis kiirgavad soojust kuni 5,5 tundi.
Akumulatsioonikomplekti kaal on 40 kg. 

Vastab normidele: EN 13 240, 15a B–VG, Din +, BimschV 2

Tootja: Romotop (Tšehhi)

Garantii: 2 aastat (vastavalt garantii tingimustele)

Toode tellimisel ca 3-4 nädalat.
Tarneaeg 1-3 tööpäeva, kui toode on laos (Küsi saadavust)

Tootekood:
LARXEH 10

*Soojuse salvestusaeg kuni 5,5h
*Kaminale on võimalik tellida lisa salvestus AKKUM 01 komplekt.
Hind: 238 €
*Lisana võimalik tellida kaitseklaas põrandaale.
Hind 147 €

Keraamika värvi valikud

Romotop üldjuhised
Kasutusjuhend Romotop valmiskaminad kamina paigaldus EST
Romotop Laredo H 10 Paigaldusjuhend
Romotop Laredo H 10 Tehniline leht
Romotop Laredo H 10 Joonis
Soojasalvestuskomplekt AKKUM 01 Joonis
Kaitseklaas põrandale (POD.SKLO 4199) Joonis
Romotop Laredo H 10 Tehnilised dokumendid ökodisain (EL) 2015/1185
Romotop Laredo H 10 Tehnilised dokumendid energiamärgis (EL) 2015/1186
Romotop Laredo H 10 Toote infoleht energiamärgis EL 2015/1186
Romotop Laredo H 10 Omaduste deklaratsioon CPR
Romotop Laredo H 10 Vastavusdeklaratsioon
Romotop Garantii sertifikaat 2017 EE
Romotop garantiileht

Vaata toodet tootja kodulehelt